Владимир
Наши контакты
Вернуться назад

Владимир
Наши контакты
Вернуться назад
+7 (495) 108-51-79

Адрес офиса: Зелёная улица, 1А

График приёма звонков: Ежедневно 08.00 до 21.00

График работы: Ежедневно с 06:00 до 23:00

+7 (495) 108-51-79
Оставьте заявку на
Плиты перекрытий ПДС
Получите скидку 30%

на доставку
Более 15 лет на рынке ЖБИ
В наличии более 700 плит
Собственный автопарк доставки
Производим от 100 плит в день
За сегодня (20 апреля 2026) мы отгрузили 29 ед. ЖБИ
Ваша заявка успешно отправлена! Наш специалист свяжется с Вами в течение нескольких минут
Каталог

Плиты перекрытий ПДС

Что такое Плиты перекрытий ПДС?

Плиты перекрытий ПДС — это железобетонные элементы, применяемые дл ...

Что такое Плиты перекрытий ПДС?

Плиты перекрытий ПДС — это железобетонные элементы, применяемые для устройства перекрытий в жилых, коммерческих и промышленных зданиях. Они обеспечивают высокую прочность, долговечность и устойчивость к нагрузкам.

Чем отличаются Плиты перекрытий ПДСот других видов перекрытий?

Отличаются точной геометрией, скоростью монтажа и возможностью перекрывать большие пролёты без дополнительного армирования.

Особенности

  • Производятся из тяжелого армированного бетона марки не ниже М200

  • Устойчивы к влаге, температурным перепадам и механическим нагрузкам

  • Совместимы со всеми типами стеновых материалов (кирпич, газобетон, монолит)

  • Возможность изготовления нестандартных размеров под проект

Преимущества Плиты перекрытий ПДС

  • Быстрый монтаж — до 400 м² перекрытий в смену

  • Экономия на опалубке и трудозатратах

  • Минимальная усадка и высокая звукоизоляция

  • Долговечность — срок службы свыше 100 лет

  • Сертифицированная продукция, соответствующая ГОСТ

Область применения

Плиты перекрытий ПДС применяются при строительстве:

  • жилых домов и коттеджей;

  • торговых и офисных зданий;

  • гаражей, подвалов, технических помещений;

  • промышленных и складских комплексов.

Вывод

Плиты перекрытий ПДС — это проверенное временем решение, сочетающее надежность, экономичность и удобство монтажа. Идеальный выбор для тех, кто ценит прочность и качество строительных конструкций.

Качество по ГОСТ
Изделия по чертежам
Быстрая логистика
Более 15 лет на рынке ЖБИ
Всегда в наличии
Качество по ГОСТ
Изделия по чертежам
Быстрая логистика
Более 15 лет на рынке ЖБИ
Всегда в наличии

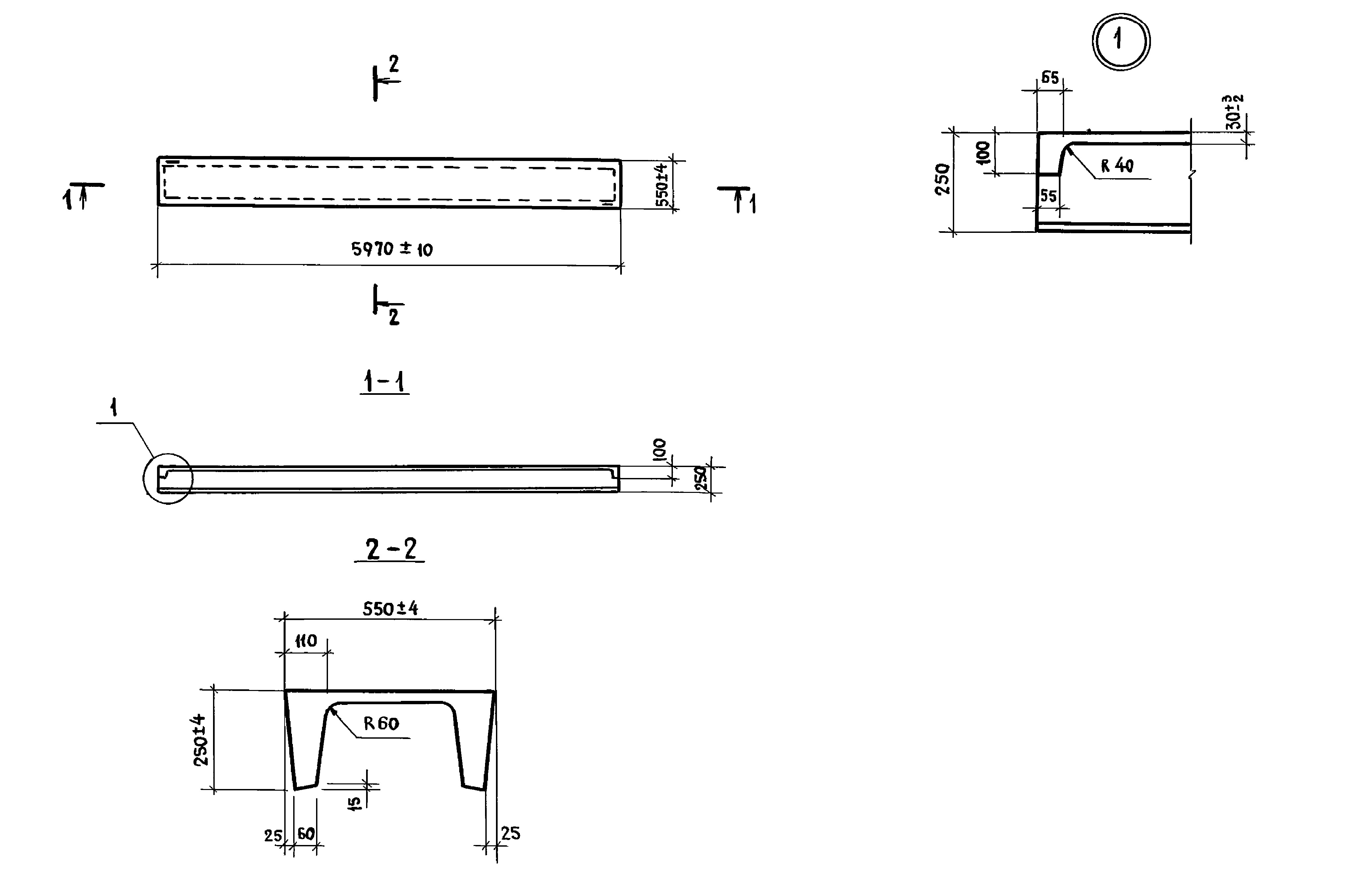
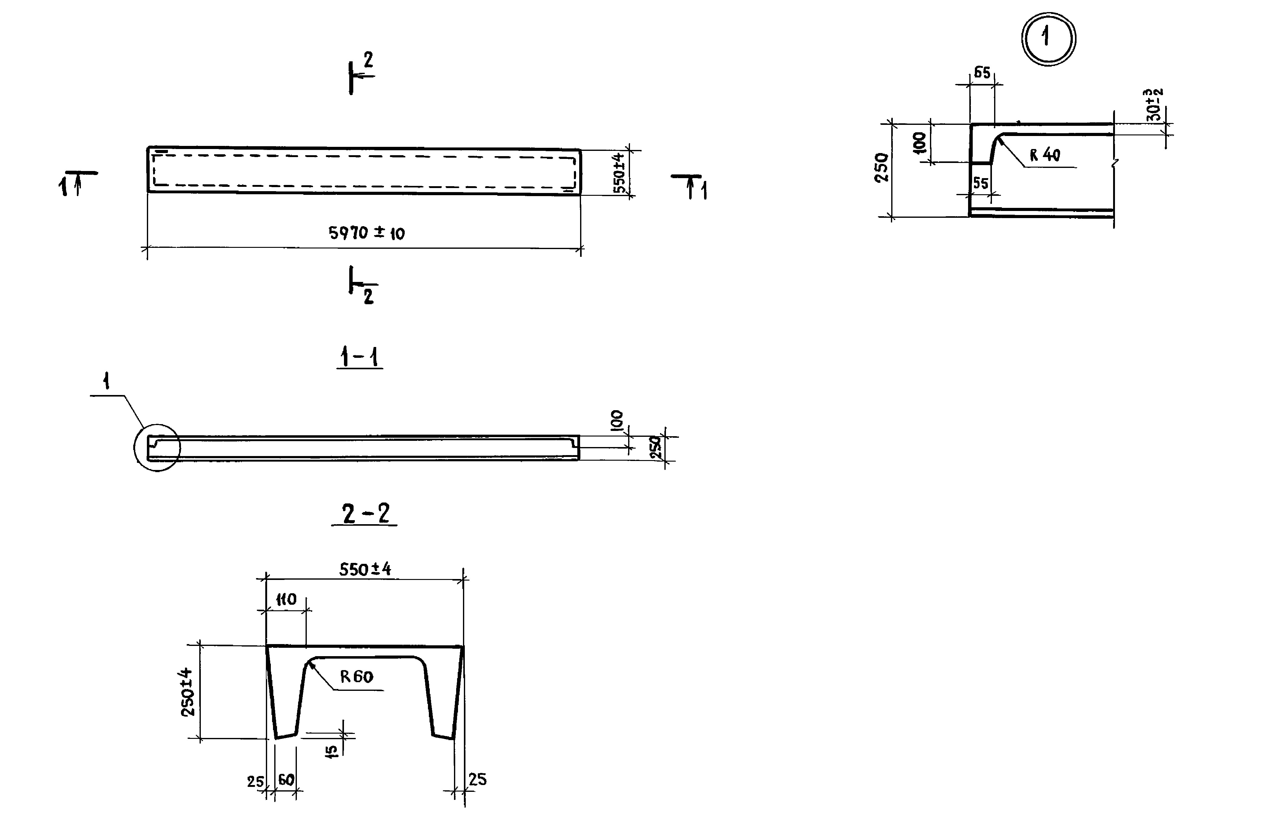
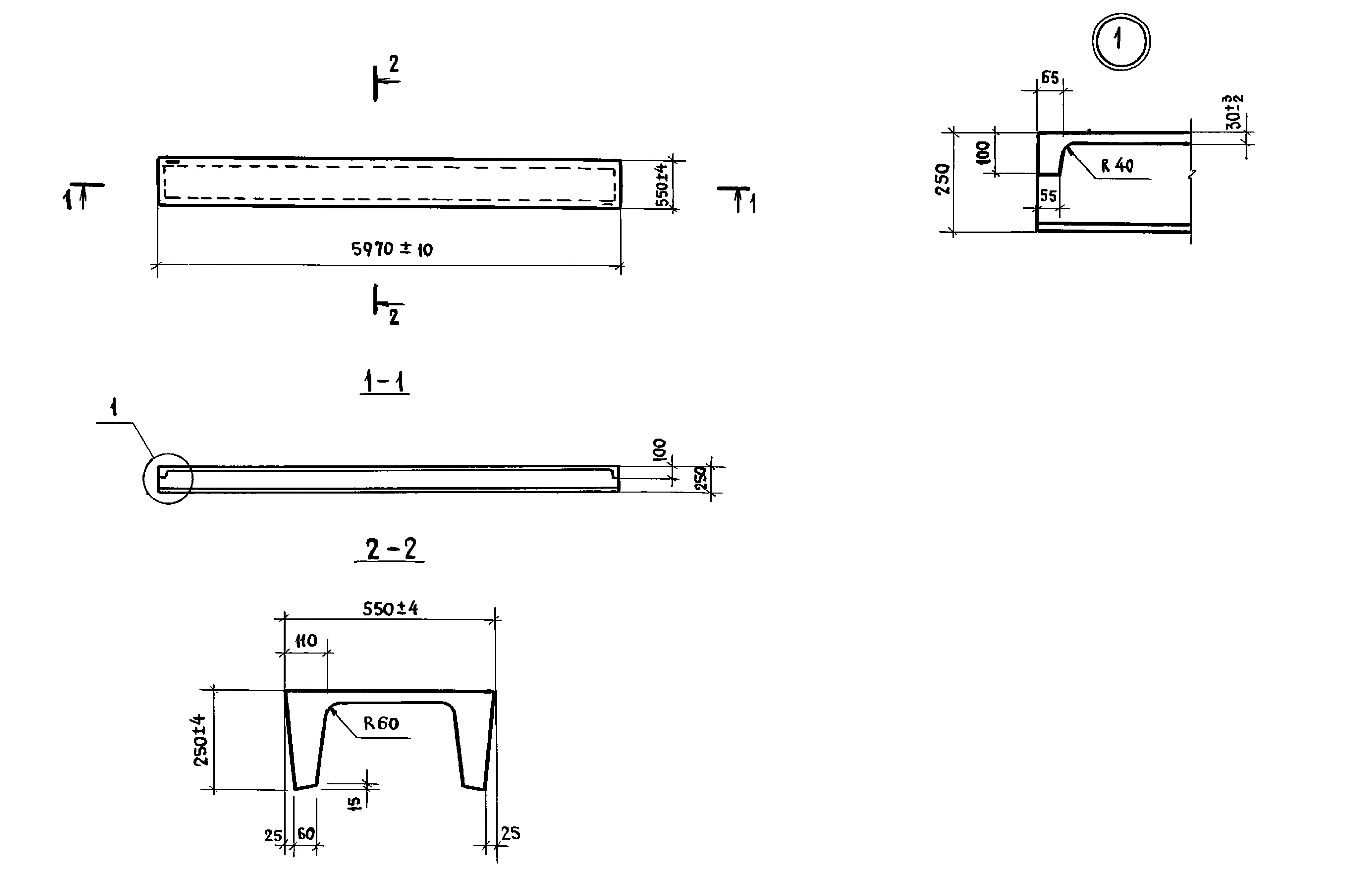
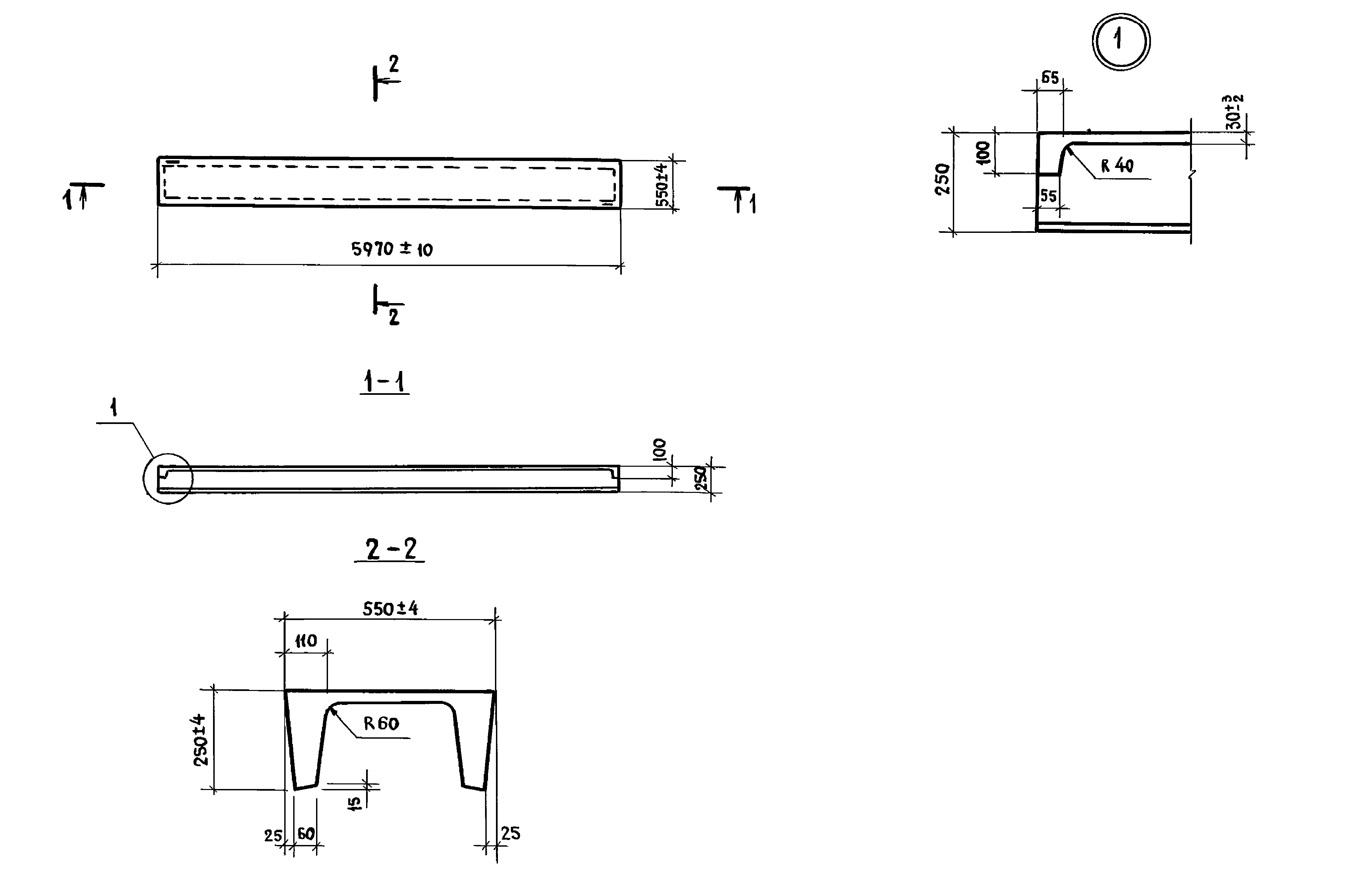
ЦЕНА НА Плиты перекрытий ПДС

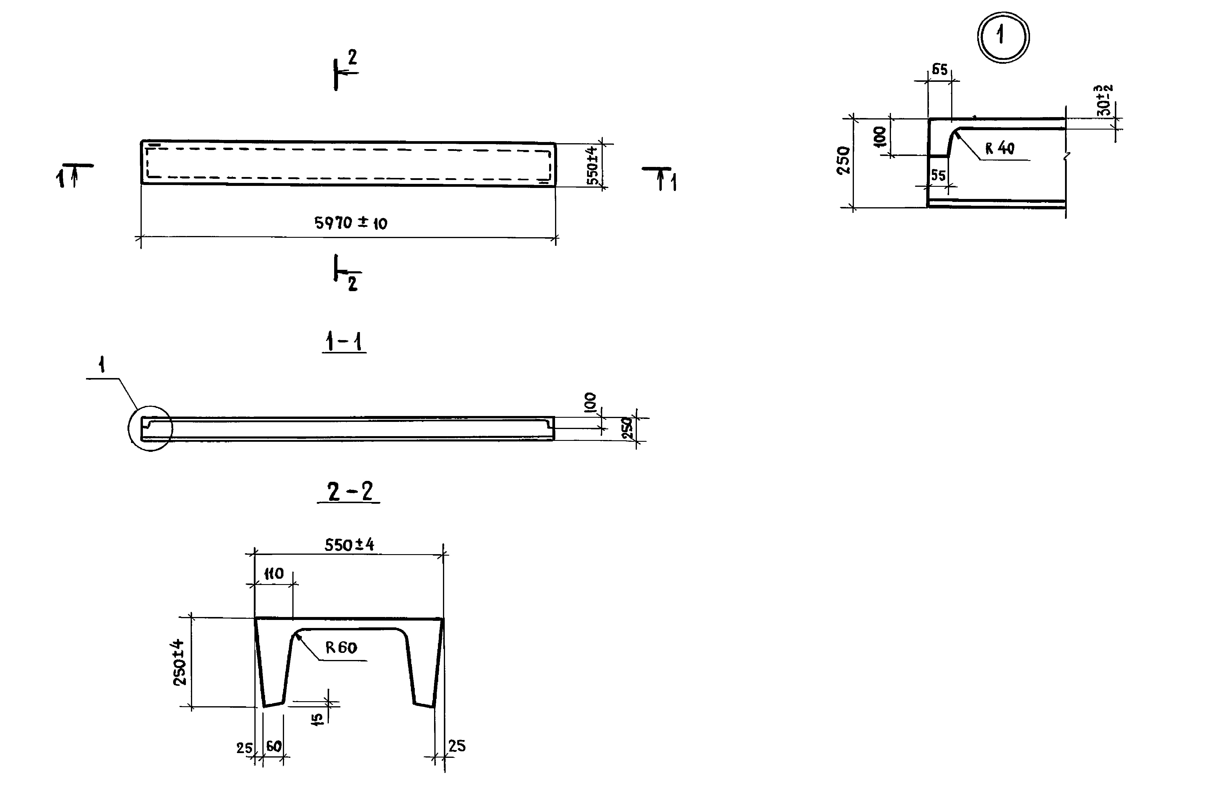
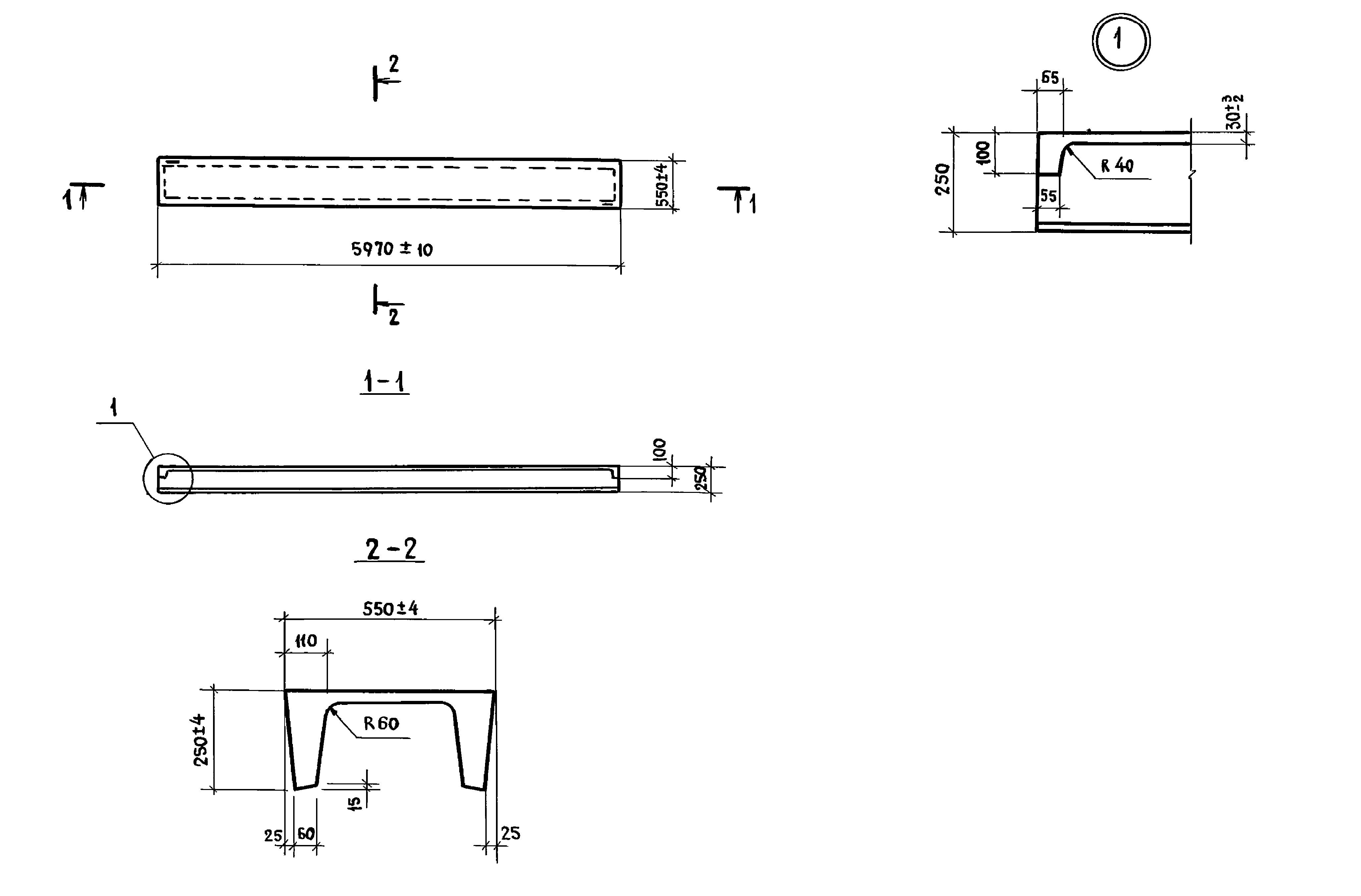
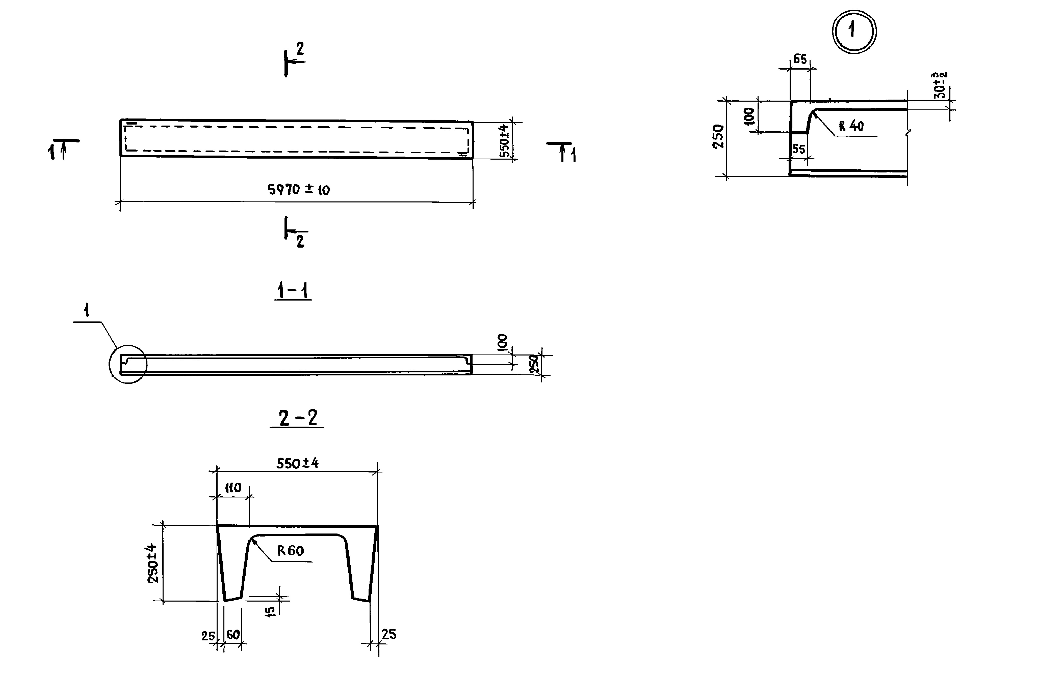
Наименование Длина, мм. Ширина, мм. Высота, мм. Цена за штуку, (руб) Количество
5970 260 250 1 840 руб.
5970 260 250 1 840 руб.
5970 260 250 1 840 руб.
5970 440 250 1 960 руб.
5970 440 250 1 960 руб.
5970 440 250 1 960 руб.
5970 550 250 2 090 руб.
5970 550 250 2 090 руб.
5970 550 250 3 050 руб.

    Наши заводы

    • Завод ЖБИ Котельники Тел.: +7 (495) 108-51-79 доб. 21
    • Завод ЖБИ Курьяново Тел.: +7 (495) 108-51-79 доб. 21
    • Завод ЖБИ Измайлово Тел.: +7 (495) 108-51-79 доб. 21

    Заводы партнёры

    • Владимирская область, Красногорск
    • Владимир, улица Введенского, 1с7
    • Вишнёвая улица, 7с99
    • 2-я улица Энтузиастов, 5к4
    • Владимир, улица Василия Ботылёва, 1с135
    • Авиамоторная улица, 55к10
    • 1-я Фрезерная улица, 2/1с22
    • Реутов, Владимирская область, Транспортная улица, 12
    • Егорьевский проезд, 8с9
    • Востряковский проезд, 10Бс19
    Для прокрутки кликните на карту

    Оставьте заявку на Ребристые плиты перекрытия сейчас
    и получите скидку 30% на доставку

    Оплата наличными
    Банковские карты
    Оплата безналом
    Оставьте свои контакты ниже, и наш специалист свяжется с Вами в течение 15 минут
    Ваша заявка успешно отправлена! Наш специалист свяжется с Вами в течение нескольких минут

    Что такое Плиты перекрытий ПДС?

    Плиты перекрытий ПДС — это железобетонные элементы, применяемые для устройства перекрытий в жилых, коммерческих и промышленных зданиях. Они обеспечивают высокую прочность, долговечность и устойчивость к нагрузкам.

    Чем отличаются Плиты перекрытий ПДСот других видов перекрытий?

    Отличаются точной геометрией, скоростью монтажа и возможностью перекрывать большие пролёты без дополнительного армирования.

    Особенности

    • Производятся из тяжелого армированного бетона марки не ниже М200

    • Устойчивы к влаге, температурным перепадам и механическим нагрузкам

    • Совместимы со всеми типами стеновых материалов (кирпич, газобетон, монолит)

    • Возможность изготовления нестандартных размеров под проект

    Преимущества Плиты перекрытий ПДС

    • Быстрый монтаж — до 400 м² перекрытий в смену

    • Экономия на опалубке и трудозатратах

    • Минимальная усадка и высокая звукоизоляция

    • Долговечность — срок службы свыше 100 лет

    • Сертифицированная продукция, соответствующая ГОСТ

    Область применения

    Плиты перекрытий ПДС применяются при строительстве:

    • жилых домов и коттеджей;

    • торговых и офисных зданий;

    • гаражей, подвалов, технических помещений;

    • промышленных и складских комплексов.

    Вывод

    Плиты перекрытий ПДС — это проверенное временем решение, сочетающее надежность, экономичность и удобство монтажа. Идеальный выбор для тех, кто ценит прочность и качество строительных конструкций.

    Наши преимущества

    Аккредитованная лаборатория

    Собственный парк техники 75 ед. (АБС, АБН, Самосвалы, шаланды и манипуляторы)

    Персональный менеджер

    Оплата при отгрузке

    Вопросы и ответы

    Где расположены Ваши заводы?

    Наши заводы расположены в Долгопрудном, Подольске, Раменском, Петрово-Дальнем

    Если мне нужна доставка далеко от города. Это значит что цена будет высокая из-за доставки?

    Нет, мы работаем с заводами-партнерами, которые предоставляют нам скидки. Поэтому цена ЖБИ для вас останется такой же, как с нашего завода, но вы сильно сэкономите на доставке.

    Какие документы Вы предоставляете?

    Мы предоставляем все необходимые документы: ТТН, паспорт качества, все сертификаты на входящую продукцию.

    Как быстро Вы доставите ЖБИ?

    Мы работаем под заказ. Можем привезти заказ на следующий день, если товар есть в наличии.

    Какими машинами Вы осуществляете поставки ЖБИ?

    В нашем автопарке ГАЗели, шаланды и манипуляторы.

    Какой режим работы у завода?

    Мы работаем ежедневно с 6.00 до 23.00. При выполнении особых заказов работаем круглосуточно.

    Вы предоставляете скидки?

    Да, мы предоставляем скидки постоянным клиентам до 10% на ЖБИ.

    Вы работаете с НДС?

    Да, конечно, мы работаем на общей системе налогообложения.

    Посмотрите, как выглядит наш офис

    Видеообращение генерального директора

    Лицензии и сертификаты

    История создания компании уходит корнями в 2003 год. В 2010-м году был произведен ребрединг и компания переименовалась в «ВелесАрк». На данный момент компания владеет 3-мя бетонными заводами и автопарком техники более 75 единиц. Мы работаем 24 часа 7 дней в неделю. Поставили бетон и нерудные материалы более чем на 10 тыс. объектов

    Наше портфолио

    Отзывы о нас

    ХОТИТЕ ОСТАВИТЬ ОТЗЫВ О НАШЕЙ РАботе или помочь стать лучше? напишите нам

    Расскажите ниже поподробнее, чем вам помогла наша компания или чтобы Вы хотели изменить. Мнение каждого клиента ценно для нас

    Ваша отзыв успешно отправлен! Отзыв будет опубликован после прохождения модерации
    Уже около 5 лет постоянно работаем с Велесарк, поэтому по качеству сомнений не было.
    Мы – солидная строительная компания и предпочитаем работать с постоянными поставщиками ЖБИ. В сентябре 2019 года сделали заказ ребристых плит перекрытия. ЖБИ использовали при строительстве производственного двухпролетного здания в СПб. Уже около 5 лет постоянно работаем с Велесарк, поэтому по качеству сомнений не было. Выражаем благодарность и надеемся на плодотворное сотрудничество.
    Раньше в этой компании я покупал материалы для стройки, сейчас понадобились плиты перекрытия, получается они предоставили практически все, что нужно для дома.
    Компания Велесарк продала мне плиты перекрытия с пустотами для строительства дома. Заказ сделан в начале лета, выполнен вовремя. Раньше в этой же компании я покупал другие материалы для стройки. Так что получается, они предоставили практически все, что нужно для моего дома.
    Приобрели в Велесарк партию дорожных плит для расширения открытой парковки в районе Московского шоссе, мы расширились и благодарим партнеров за сотрудничество.
    В июне 2019 года приобрели в Велесарк партию дорожных плит для расширения открытой парковки в районе Московского шоссе. К настоящему моменту объект сдан в эксплуатацию. Мы расширились и благодарим партнеров за сотрудничество.
    Наша строительная компания приобрела несколько партий дорожных плит 1П30 у компании Велесарк, качеством довольны.
    Выполняя ремонтно-строительные работы под Волховом, наша строительная компания приобрела несколько партий дорожных плит 1П30 у компании Велесарк. Плиты использованы для строительства автодороги на одном из местных промышленных предприятий с движением тяжелой техники. Закупка была выполнена во II квартале 2018 года.
    Компания выполнила заказ в короткие сроки, а поставщик взял на себя также и услуги по доставке изделий в Кировск.
    Сообщаем об опыте закупки дорожных плит у Велесарк. Предыстория. При строительстве складской площадки проектировщики решили не обустраивать промышленные полы. Более выгодным вариантом стала укладка дорожных плит между колоннами пролетов. Так как это уже не первый наш проект в Ленобласти, то связались с постоянным поставщиком ЖБИ. В итоге компания выполнила заказ в короткие сроки за счет складских запасов плит. Поставщик взял на себя также и услуги по доставке изделий в Кировск.
    Компания показалась мне надежной, что в дальнейшем оказалось правдой.
    Плиты перекрытия для строительства коттеджа я купил в Велесарк. Компания показалась мне надежной, что в дальнейшем оказалось правдой. По ценам на ЖБИ также все устроило. Связался с менеджером Алексеем, договорились по оплате и доставке. Приехал на участок и буквально в течение получаса подвезли плиты, хотя я думал, что будет задержка. Разгрузили собственным краном, оплату приняли на месте. Оперативностью доволен.
    Компания показалась мне надежной, что в дальнейшем оказалось правдой.
    Плиты перекрытия для строительства коттеджа я купил в Велесарк. Компания показалась мне надежной, что в дальнейшем оказалось правдой. По ценам на ЖБИ также все устроило. Связался с менеджером Алексеем, договорились по оплате и доставке. Приехал на участок и буквально в течение получаса подвезли плиты, хотя я думал, что будет задержка. Разгрузили собственным краном, оплату приняли на месте. Оперативностью доволен.
    Уже около 5 лет постоянно работаем с Велесарк, поэтому по качеству сомнений не было.
    Мы – солидная строительная компания и предпочитаем работать с постоянными поставщиками ЖБИ. В сентябре 2019 года сделали заказ ребристых плит перекрытия. ЖБИ использовали при строительстве производственного двухпролетного здания в СПб. Уже около 5 лет постоянно работаем с Велесарк, поэтому по качеству сомнений не было. Выражаем благодарность и надеемся на плодотворное сотрудничество.
    Раньше в этой компании я покупал материалы для стройки, сейчас понадобились плиты перекрытия, получается они предоставили практически все, что нужно для дома.
    Компания Велесарк продала мне плиты перекрытия с пустотами для строительства дома. Заказ сделан в начале лета, выполнен вовремя. Раньше в этой же компании я покупал другие материалы для стройки. Так что получается, они предоставили практически все, что нужно для моего дома.
    Закупку изделий произвели в компании Велесарк – нашего давнего поставщика, как всегда, качеством и доставкой довольны.
    Мы предоставляем услуги по обустройству автодорог. В 2019 году наша компания расширила парк спецтехники и была вынуждена обустроить дополнительную площадку под крытую стоянку. Работы по обустройству стоянки выполнили своими силами, так как это наш профиль. Из соображений скорости и надежности при высоких нагрузках выбрали вариант укладки аэродромных плит. Закупку изделий произвели в компании Велесарк – нашего давнего поставщика, у которого уже несколько лет постоянно покупаем дорожные плиты, водоотводные лотки и другие ЖБИ для дорожного строительства. Как всегда, качеством и доставкой довольны.

    Схема работы с нами проста

    Звоните или оставляете заявку
    Потверждаете заказ и оформляете доставку по телефону
    Получаете заказ в назначеное время
    Оплачиваете при получении
    Каталог Контакты Доставка Позвонить Корзина